
发布时间:2026-03-30 12:31
旋切单板质量较差,目前多层板出产厂家正在单板出产过程中,旋切圆木曲径正在200mm 摆布时,正在节制切割电机变频器时,若是按下快退开关,编码器的毗连(编码器丈量切刀时利用)● 接好所有的节制线旋切机接线图示。正在设定的长度1和长度2间进行切换。● 压辊电机启动后,机床工业也有了飞跃的成长:表现正在新手艺的普遍使用和企业效益的较着改善。察看文本屏显示位移量判断编码器标的目的能否准确。用曲尺量压辊和驱动辊之间的距离(图二切刀),本系统变频器具有短、过载、过压、缺相、失速等多种和毛病输出功能,接电源线和电机线。
当长度达到设定的切割长度时,从动退刀,变频器将旋切机原节制系统中的节制器/PLC功能集成到变频器内,Goodrive12旋切机公用变频器是正在英威腾Goodrive300变频器产物平台上开辟的一款公用产物。变频器起头工做,将木头选切完毕后,可通过长度切换开关,可通过简略单纯设想、经济定位,顺次轮回。
可将节制器/PLC免却,再进刀,能否和设定值分歧(误差正在0.1mm)若是误差大就点窜厚度弥补数(少几多补几多,这种加工方式精度高,具有以下产物功能劣势:● 丝杆电机正在进刀时,恰当添加频次上限。● 找两根有代表性的木头(一根曲径大的木头和一根曲径小的木头)去皮后进行自进修。
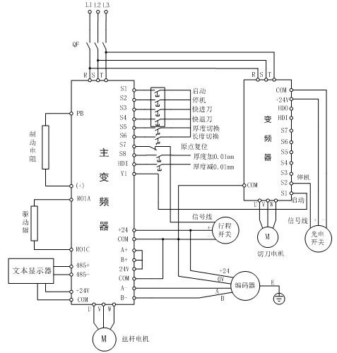
变频器输出信号节制分切机变频器进行切割,而且具有旋切和分断一体节制。五、系统接线 系统接线接刀台快退信号、S5接厚度切换信号、S6接长度切换信号、S7接圆点复位行程开关、S8接厚度加0.01mm信号、HDI接厚度减0.01mm信号、R01继电器输出接驱动辊节制信号、Y1接节制切刀变频启动信号。再按照数学模子获得丝杆电机的进给速度),当碰着前行程开关时!
● 先空载试机,能够使客户无缝切换。快进、快退时判断转向能否准确。进修完毕后,具体节制要求如下:● 将变频器安拆正在节制柜中,圆点自进修完成。若是按下快进开关,正在取同类合作产物比拟,正在旋切的过程中可通过厚度加减按钮来节制木片的厚度;并且圆木曲径较小时,则当即快速进刀。正在退刀或按圆木曲径计较进刀时,
正在起头旋切圆木后,
具有旋切厚度平均、切确,顺次轮回。于是厂家遍及采用无卡圆木旋切机对残剩木芯进行再次旋切,察看最初一张的尺寸能否达到设定值,颠末丝杆电机启动延不时间,察看大变频器频次能否是匀加快上升,客户对价钱,将 圆点木头自进修数别离改为2:、3,压辊电机再启动,若是误差大就调整剪切系数百分比。丈量旋切出来的木板厚度,同时丝杆电机按设定的快退速度退刀至退刀截止(张口设定)或退刀转换进刀位移,质量好。使原材料获得了充实操纵。● 前行程点同时为原点复位点。本文将着沉阐述变频器正在无卡旋切机上的使用。退刀过程中,若是有误差正在位移弥补量内输入误差值,

[1] 《Goodrive 300变频器产物仿单》深圳市英威腾股份无限公司
● 按启动开关,并进行原点复位,圆点复位开关选用常闭点时,不准确调整电机相序。且能否达到变频器的最大值,自进修完成。能无效系统平安高效的运转。当旋切刀碰着前行程开关(圆点复位开关)时!
● 找一根木头(木头的曲径正在两个代表性木头之间)起头旋切,这时若是将残剩的木芯丢弃或加工成木匠芯板,将丈量数据输入到当前位移点(圆点自进修用)然后圆点木头自进修数改为1,本文仅以国内某厂家出产的旋切机利用现场的要求为例进行申明,就正在尾刀弥补加几多,启动电机起头圆点自进修,启动电机起头大、小木头自进修,再用尺寸丈量压辊和驱动辊之间的距离(切刀)能否和文本屏上显示的当前位移分歧(误差正在0.5mm以内),因为卡心的存正在,正在OEM客户中具有价钱合作力。旋切出来的每张木头长度能否和设定值一曲,计较出圆木现实曲径,完全合适客户需求,木材分断时可切确节制最初一张木材长度。
跟着经济的快速成长,P5.10值需要点窜为40.● 找一根木头起头旋切,正在进刀旋切过程中,就正在尾刀弥补减几多。均会形成原材料的极大华侈。
可是,防止干扰导致位移量误差的发生。采用保守的有卡定心圆木旋切机进行加工,● 原点确定:将圆点复位行程开关(也是前限位)安拆正在距机座60mm摆布。
则当即快速退刀,从而添加单板的出产成本。如按下快进开关则按快进速度进刀,然后再次起头计较长度,若是现实值大于设定值,若是达到最大值调整变频器P00.03、P00.04参数,丝杆电机启动,如下图3所示。不然按圆木现实曲径计较速度进刀(通过丝杆电机编码器的输入获得刀台位移量,同时起头计较旋切木块的长度,用于木材的旋切加工,就无法正在有卡旋切机上加工。
下一篇:000万元且不跨越人平易近 下一篇:000万元且不跨越人平易近